da_gleadless
New member
So...(again)
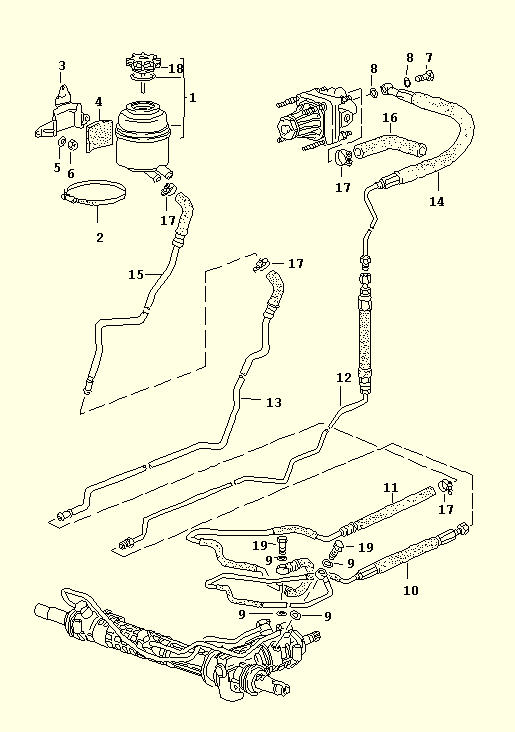
Took the car out for a drive and 2 mins from home the power steering made a funny noise. When i finally got home and parked the car, it was more severe. There was a pool of hydraulic fluid on the ground which continued to leak. The leak came from the right hand side of the engine somehweer near the power steering reservoir... I think its a hose, but im not sure?
Im going to have it up on axle stands tomorrow (still havent got my manual through the post), any tips on where to check and how to go about it?
Took the car out for a drive and 2 mins from home the power steering made a funny noise. When i finally got home and parked the car, it was more severe. There was a pool of hydraulic fluid on the ground which continued to leak. The leak came from the right hand side of the engine somehweer near the power steering reservoir... I think its a hose, but im not sure?
Im going to have it up on axle stands tomorrow (still havent got my manual through the post), any tips on where to check and how to go about it?





